Видео о ЧЭМЗ 8 (351) 277-89-01 +7 (351) 277-89-01звонки для Казахстана

Вентилятор осевой ВО 12-300-12,5

Вентилятор осевой ВО 12-300-12,5

 

 


Энергомашиностроительный завод изготавливает осевой вентилятор типа ВО 12-300-12,5 и запасные части к нему.


Вентиляторы осевые ВО 12-300 используются в системах вентиляции и воздушного отопления в промышленных, общественных и жилых помещениях, в сельскохозяйственном производстве и для других санитарно-технических и производственных целях. Они предназначены для перемещения газопаровоздушных сред с температурой до 50оС и содержанием пыли и других твердых частиц в перемещаемой среде не более 0,01 г/м3 при отсутствии липких веществ и волокнистых материалов.


Технические характеристики осевого вентилятора ВО 12-300-12,5

Типоразмер вентилятора

Двигатель

Параметры врабочей зоне

Масса, кг

Типоразмер

Мощность, кВт

Частота вращения, об/мин

Производ., тыс.м3/час

Полное давление, Па

ВО12-300-12,5

ВО12-300-12,5К

АИР112В8

3,0

750

30,7-56,1

199-86

156

Ключевые особенности осевого вентилятора ВО 12-300-12,5

  • • ТУ 4861-002-39400557-04 и ТУ 4861-005-39400557-07
  • • Низкое давление
  • • Цилиндрический корпус
  • • Конструктивное исполнение - 1 и 2 (по направлению потока)
  • • Количество лопаток вентилятора – 3 шт, для реверсивного типа - 6 шт

 

Условия эксплуатации осевого вентилятора ВО 12-300-12,5

Температура окружающей среды от -40°С +40°С (до +45°С для вентиляторов тропического исполнения). Умеренный и тропический климат, 2-я и 3-я категории размещения. При защите двигателя от прямого воздействия солнечного излучения и атмосферных осадков для умеренного климата — 1-я категория размещения.




Варианты изготовления осевого вентилятора ВО 12-300-12,5

ТУ 4861-002-39400557-04

  • • Общего назначения из углеродистой стали
  • • Коррозионностойкие из нержавеющей стали (К) (изготавливаются по специальному заказу)

ТУ 4861-005-39400557-07

  • • Взрывозащищенные из разнородных металлов
  • • Взрывозащищенные из алюминиевых сплавов
  • • Взрывозащищенные коррозионностойкие из нержавеющей стали

 

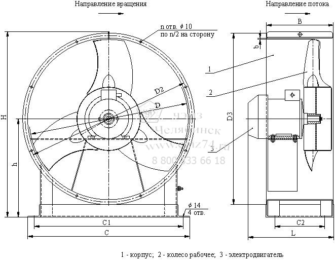
Габаритно-присоединительные размеры осевого вентилятора ВО 12-300-12,5

Габаритно-присоединительная схема вентилятора ВО 12-300-12,5 на сайте ЧЭМЗ

№ вентилятора Тип электродвигателя D, мм D1, мм D2, мм D3, мм H, мм C, мм C1,мм C2,мм L, мм B, мм h, мм b, мм n
12,5 АИР112М8 АИР132М8 1250 1260 1295 1322 1383 1156 1100 400 595 610 500 720 1,5...5 32

Технические характеристики осевого вентилятора ВО 12-300-12,5

Типоразмер вентилятора

Двигатель

Параметры врабочей зоне

Масса, кг

Типоразмер

Мощность, кВт

Частота вращения, об/мин

Производ., тыс.м3/час

Полное давление, Па

ВО12-300-12,5

ВО12-300-12,5К

АИР112В8

3,0

750

30,7-56,1

199-86

156