Видео о ЧЭМЗ 8 (351) 277-89-01 +7 (351) 277-89-01звонки для Казахстана

Поддон для крышного вентилятора ВКРм-9

Поддон для крышного вентилятора ВКРм-9

 

 

Энергомашиностроительный завод специализируется на изготовлении поддона для монтажа крышного вентилятора ВКРм-9.


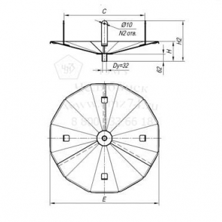
Габаритно-присоединительные размеры поддона для крышного вентилятора ВКРм-9

№ вентилятора Размеры, мм N N2 Масса поддона, кг
D D2 D3 d B C E H H2
9 820 850 880 10 450 1000 1220 190 367 8 4 16,8