Видео о ЧЭМЗ 8 (351) 277-89-01 +7 (351) 277-89-01звонки для Казахстана

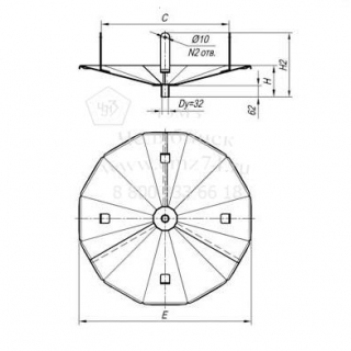
Поддон для крышного вентилятора ВКРм-6,3

Поддон для крышного вентилятора ВКРм-6,3

 

 

Энергомашиностроительный завод специализируется на изготовлении поддона для монтажа крышного вентилятора ВКРм-6.3.


Габаритно-присоединительные размеры поддона для крышного вентилятора ВКРм-6.3

№ вентилятора Размеры, мм N N2 Масса поддона, кг
D D2 D3 d B C E H H2
6.3 640 660 695 10 360 700 920 165 340 8 4 7,4