Видео о ЧЭМЗ 8 (351) 277-89-01 +7 (351) 277-89-01звонки для Казахстана

Радиальный вентилятор для дымоудаления ВР 280-46 ДУ № 5

Радиальный вентилятор для дымоудаления ВР 280-46 ДУ № 5

 

 


Энергомашиностроительный завод изготавливает радиальный вентилятор для дымоудаления типа ВР 280-46 ДУ №5 и запасные части к нему.


Технические характеристики радиального вентилятора ВР 280-46 ДУ №5 для дымоудаления

Вентилятор

Электродвигатель

Производительность, тыс. м³/час

Масса, кг

Виброизолятор

Типоразмер

кВт

Iн при 380 В, А

Тип

Кол-во

ВР 280-46-5-ДУ

АДМ132S6

5,5/1000

12,4

5,6-12,0

136

ВП 50

4

АДМ132М6

7,5/1000

17,5

5,6-14,5

119

АДМ132М4

11/1500

22,9

8,6-11,8

129

АИР160S4

15/1500

29,0

8,6-15,5

217

ВП 50

АИР160М4

18,5/1500

35,0

8,6-18,3

239

5

АИР180S4

22/1500

42,5

8,6-21,0

253

Общие сведения о радиальном вентиляторе типа ВР 280-46 ДУ №5 для дымоудаления

  • • Среднее давление
  • • Одностороннее всасывание
  • • Спиральный поворотный корпус
  • • Направление вращения — правое и левое
  • • Вперед загнутые лопатки
  • • Количество лопаток — 32
  • • Энергоэффективность по ГОСТ 31961-2013–КЛ3
  • • Применение в системах вытяжной вентиляции административных, производственных, жилых и других зданий
  • • Перемещаемая вентилятором среда не должна содержать волокнистых материалов и взрывчатых веществ
  • • Комплектация трехфазными асинхронными электродвигателями с напряжением 380 В
  • • Возможно применение вентиляторов в системах общеобменной вентиляции

Условия эксплуатации радиального вентилятора ВР 280-46 ДУ №5 для дымоудаления

Вентиляторы ВР 280-46 ДУ предназначены для эксплуатации в макроклиматических районах с умеренным климатом второй категории размещения по ГОСТ 15150-69. При защите двигателя от атмосферных воздействий и прямого солнечного излучения допускается установка вентилятора в условиях с умеренным климатом первой категории размещения. Вентиляторы предназначены для монтажа в помещении, комплектуются двигателями третьей категории размещения. Температура окружающей среды от -45ºС до +40°С.




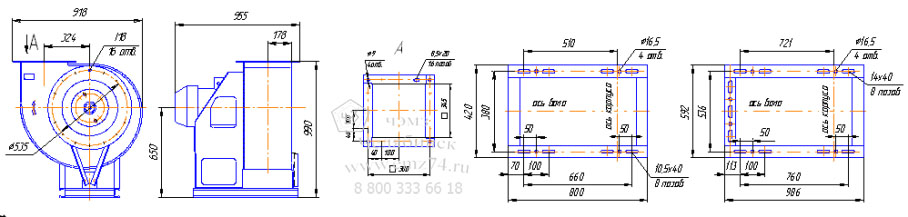
Габаритно-присоединительные размеры радиального вентилятора ВР 280-46 ДУ №5 для дымоудаления

Габаритно-присоединительная схема вентилятора ВР 280-46-5 на сайте ЧЭМЗ

Аэродинамические характеристики радиального вентилятора ВР 280-46 ДУ №5 для дымоудаления

Аэродинамические характеристики вентилятора ВР 280-46-5 на сайте ЧЭМЗ

Технические характеристики радиального вентилятора ВР 280-46 ДУ №5 для дымоудаления

Вентилятор

Электродвигатель

Производительность, тыс. м³/час

Масса, кг

Виброизолятор

Типоразмер

кВт

Iн при 380 В, А

Тип

Кол-во

ВР 280-46-5-ДУ

АДМ132S6

5,5/1000

12,4

5,6-12,0

136

ВП 50

4

АДМ132М6

7,5/1000

17,5

5,6-14,5

119

АДМ132М4

11/1500

22,9

8,6-11,8

129

АИР160S4

15/1500

29,0

8,6-15,5

217

ВП 50

АИР160М4

18,5/1500

35,0

8,6-18,3

239

5

АИР180S4

22/1500

42,5

8,6-21,0

253